振動篩:廠家直銷、價格便宜
直線振動篩、超聲波振動篩:型號參數全


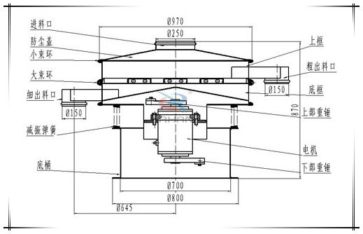
篩網面積m:0.24-3.01
進料粒度(mm):<10-<30
產量:100-3300公斤/時
層數:1-5層
有限篩分直徑(mm):560-1960
電機功率(kw):0.25-3
7*24小時免費咨詢熱線
0373-268 2333
Copyright © 2007-2013 新鄉市大漢振動篩廠家 | All Rights Reserved 備案序號:豫ICP備09002479號-2
企業法人營業執照(注冊號):410721100003866